- 成都优普环保设备工程有限公司
- 电话:183-2853-8768
- 邮箱:1728748202@qq.com
- 网址:www.upmbr.com
- 地址:四川省成都市郫都区成都现代工业港北片区港泰大道38号
当前位置:首页>>技术文章
| 城镇污水处理厂建设中格栅如何选择设计 |
| 发布者:成都优普环保设备工程有限公司 发布时间:2020/6/17 点击次数:7321 |
城镇污水处理厂建设格栅的作用:筛滤的目的是去除废水中粗大的悬浮物和杂物(detritus),以保护后续处理设施能正常运行的一种预处理方法。 城镇污水处理厂格栅分类:筛滤的构件包括平行的棒、条、金属网、格网或穿孔板,由平行的棒和条构成的称为格栅(bar screen) ; 由金属丝织物或穿孔板构成的称为筛网(screen)。 1、格栅 格栅:由一组(或多组)相平行的金属栅条与框架组成。 位置:格栅一般斜置在进水泵站集水井的进口处。 分类:平面格栅-筛网呈平面、曲面格栅-筛网呈弧状
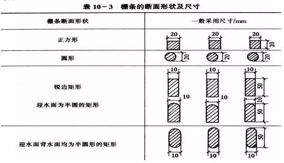
格栅栅条的断面形状有圆形、矩形及方形,圆形的水力条件较方形好,但刚度较差。自前多采用断面形式为矩形的栅条。
污水过栅条间距的流速:为防止栅条间隙堵塞,一般采用0.6-1.0m/s,最大流量时可高于1.2~1.4m/s 渐扩α=20°沉底大于水头损失。水流在运动过程中单位质量液体的机械能的损失称为水头损失。
曲面格栅
格栅清渣的方法:
人工清除: 与水平面倾角:45°~60° 设计面积应采用较大的安全系数,一般不小于进水渠道面积的2倍,以免清渣过于频繁。 机械清除: 与水平面倾角:60°~70° 过水面积一般应不小于进水管渠的有效面积的1.2倍。 城镇污水处理厂建设格栅应该怎样设置: 设置在城镇污水处理厂处理系统前的格栅,还应考虑到使整个污水处理系统能正常运行,对处理设施或管道等均不应产生堵塞作用。因此,可设置粗细两道格栅, 栅条间距一般采用16-25mm,最大不超过40mm。 4.栅槽总长度L
架设格栅的渠道,栅前和栅后应分别保持0.5m和1.0m以上的直线距离.为了防止栅前渠道内水面出现阻流回水现象,架设格栅的渠段宽度由原来的b1放宽到b,渠前有扩大段L],展开角20度,渠后有收缩段L,,一般取L,=L/2。 |
| 上一条:一体化污水提升泵站的设计标准 | 下一条:乡镇生活污水处理设备工艺设计 |











